销售热线

首页 / 新闻中心 / 产品知识 / 主要类型锰矿石选矿举例

主要类型锰矿石选矿举例

作者:天博机器时间:2010-10-13更新时间:2010-10-13

如果您想了解我们的产品,可以随时拨打我公司的销售热线或点击下方按钮在线咨询价格!
立即拨打电话享更多优惠:0371-67772626

在线咨询

1、大新锰矿洗矿厂

(1)矿石性质

该矿属泥盆经沉积的碳酸锰矿床,近地表部分受氧化作用形成氧化锰矿石。氧化锰矿赋存于三个矿层中,主要锰矿物为软锰矿、硬锰矿、偏锰酸矿;主要铁矿物为褐铁矿、赤铁矿;脉石矿物主要有石英、高岭石和水云母。常见的矿物结构主要为微粒、隐晶质结构,其次为细粒、泥质、胶体及残余等结构。矿石构造主要以块状、斑块状、条带状、粉末状、页片状和豆状等形态构成,其次为空洞状、网络状等构造。

(2)工艺流程

该矿采出的氧化矿含锰品位一般为26%左右,经洗矿工艺流程洗矿后,所得洗矿指标为:当原矿品位26.17%Mn时,净块矿(+7mm)品位30.55%Mn,锰回收率43.40%;净粉矿(-7mm)品位32.91%MN,锰回收率41.96%。

2、桂林松软锰矿洗矿厂

(1)矿石性质

该矿的松软锰矿是由浅海相原生沉积的含锰灰岩经地表氧化次生富集而成,属锰帽矿床。矿石中主要锰矿物为偏锰酸矿,并含少量硬锰矿或软锰矿及粉末状褐铁矿;脉石矿物主要为石英及少量粘土矿物。矿石呈红褐色或褐黑色泥质、薄层状结构,硬度低,密度小,含水率高达44.6%。矿石中的偏锰酸矿与泥质物混在一起,泥质物特别集中于偏锰酸矿的孔隙中;矿层中的硬锰矿或软锰矿,仅局部性地分布于矿层面及裂隙间;粉末状褐铁矿呈不规则的斑状散布于矿层中。

选矿工艺流程

图 1

此外,方解石、铁白云石、石英等往往单独或相互构成细脉穿切菱锰矿集合体。矿石性脆。矿体底板为黑页岩,矿体顶板为叶片状黑页岩,很不稳定,开采时废石混入率为7%-13%。

洗选工艺流程及指标图

图 2

3、连城锰矿选矿厂

(1)矿石性质

该矿属风化淋滤型贫氧化锰矿,锰矿物有硬锰矿、软锰矿和锰土。硬锰矿往往与软锰矿组成环带构造,两者紧密共生。软锰矿的密度次于硬锰矿,硬锰矿多呈致密块状、胶状、粒状或针状集合体,软锰矿往往呈氧化残余或块状嵌布于锰土中。锰土是硬锰矿剧烈风化后之产物,呈土状集合体或粉末状,极为松散,密度小,含泥质较高,品位较低,多属贫锰矿,占入洗原矿的50%左右,锰矿中脉石矿物有石英、高岭土、绢云母、蛋白石、玉髓、褐铁矿等。

(2)工艺流程

该矿选矿厂采用洗矿—手选—粗粒跳汰—细粒强磁选联合流程,其洗选工艺流程及指标图2所示。主要设备的操作条件是:AM-30型粗粒跳汰机,给矿粒度30-3mm,给矿量2.8-3.4t/h,冲程50mm,精矿挡板高80mm,尾矿挡板高度90mm;Shp-1000型强磁选机,给矿粒度-1mm占82%-84%,给矿浓度38%-44%,给矿量5.4t/h;激磁电流125A。

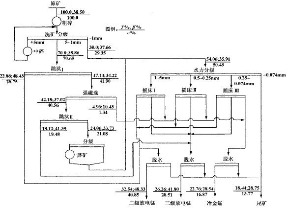
4、靖西锰矿选矿厂

(1)矿石性质

该矿湖润矿区属沉积型碳酸锰矿床,靠近地表处的矿石,由于受氧化作用而形成氧化锰矿石。所开采的氧化矿石的矿物成分以软锰矿、硬锰矿为主,其它金属矿物有褐铁矿、赤铁矿、针铁矿;脉石矿物有石英、高岭土、水云母等。矿石一般呈深灰色、黑褐色、具有微粒隐晶质和泥质结构,为块状、网脉状、条带状、豆状等构造。矿石密度为3.85g/cm3。矿石中主要杂质为铁和二氧化硅。铁是以弱磁性的三氧化二铁与硅酸铁的形态存在;而锰则有92.94%是高价锰。由于铁与锰的物理化学性质相似,选矿过程中通常不易分离。因不可溶性的铁对锰放电性能并无更大的影响,故未考虑除铁措施。

(2)工艺流程

该锰矿选矿厂采用重选-强磁选-重选联合选矿工艺。其工艺流程与选矿指标见图3所示。

洗选工艺流程及指标图

图 3

5、桃江锰矿强磁选厂

矿石性质

桃江锰矿响涛源矿区为浅海相沉积碳酸锰矿床,矿石构造以薄层状为主,矿石结构为隐晶质。锰矿物以锰方解石为主,其次为钙菱铁矿和锰白云石。脉石矿物以石英为主,其次为方解石、铁白云石及微量粘土矿物、绢云母等。金属硫化物有黄铁矿、黄铜矿、闪锌矿等。矿物嵌布粒度一般为0.3-0.03mm,该矿区矿石属低磷、低铁、自熔性中贫锰矿石。工艺流程及指标如图4。

工艺流程及指标图

图 4

在线留言

姓名:

电话:

需求: